繝壹シ繧ク逡ェ蜿キシ0000
| 繧ォ繝繧エ繝ェ-21逶ョ谺。縺ォ謌サ繧 | 1縺、蜑阪↓謌サ繧 | HOME縺ク |
| 驥大ア槭ず繝ァ繧、繝ウ繝医サ繧ウ繝阪け繧ソス・邯吶℃謇九陬ス蜩 | |
| 笆繧ッ繧、繝繧ッ繧キ繝シ繝ォ繧キ繝ェ繝シ繧コ 繧、繝ウ繧オ繝シ繝医ち繧、繝暦シ医せ繝繝ウ繝ャ繧ケ莉墓ァ假シ峨縲縲縲縲縲縲縲縲縲 | 161 |
| 繝ヲ繝九が繝ウ繝繧」繝シ | |


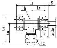
笳上Α繝ェ繧オ繧、繧コシ医げ繝ォ繝シ繝4シ
| 蜩∫分 | 驕ゥ逕ィ繝√Η繝シ繝 螟門セテ怜蠕 (mm) |
L1 (mm) |
L5 (mm) |
L6 (mm) |
L8 (mm) |
S (mm) |
F 繝√Η繝シ繝 謖ソ蜈・髟キ縺 (mm) |
H1 莠碁擇蟷 (mm) |
H2 莠碁擇蟷 (mm) |
d2 譛蟆丞蠕 (mm) |
譛牙柑 譁ュ髱「遨 (mm2) |
雉ェ驥 (g) |
| UT4N6X4-S | 6X4 | 20.5 | 41.0 | 20.5 | 27.4 | 4.6 | 15 | 10.0 | 12.0 | 2.7 | 4.0 | 35.0 |
| UT4N8X5-S | 8X5 | 22.9 | 45.8 | 22.9 | 31.0 | 4.6 | 16 | 12.0 | 14.0 | 3.7 | 7.5 | 49.0 |
| UT4N8X6-S | 8X6 | 22.9 | 45.8 | 22.9 | 31.0 | 4.6 | 16 | 12.0 | 14.0 | 4.7 | 12.5 | 48.0 |
| UT4N10X6.5-S | 10X6.5 | 27.1 | 54.2 | 27.1 | 36.9 | 4.2 | 17 | 14.0 | 17.0 | 5.2 | 15.5 | 82.0 |
| UT4N10X8-S | 10X8 | 27.1 | 54.2 | 27.1 | 36.9 | 4.2 | 17 | 14.0 | 17.0 | 6.7 | 25.0 | 77.0 |
| UT4N12X8-S | 12X8 | 27.6 | 55.3 | 28.6 | 39.6 | 4.8 | 18 | 14.0 | 19.0 | 6.6 | 25.0 | 90.0 |
| UT4N12X9-S | 12X9 | 27.6 | 55.3 | 28.6 | 39.6 | 4.8 | 18 | 14.0 | 19.0 | 7.6 | 25.0 | 85.0 |
笳上う繝ウ繝√し繧、繧コシ医げ繝ォ繝シ繝1シ
| 蜩∫分 | 驕ゥ逕ィ繝√Η繝シ繝 螟門セ (inch) |
L1 (mm) |
L5 (mm) |
L6 (mm) |
L8 (mm) |
S (mm) |
F 繝√Η繝シ繝 謖ソ蜈・髟キ縺 (mm) |
H1 莠碁擇蟷 (mm) |
H2 莠碁擇蟷 (mm) |
d2 譛蟆丞蠕 (mm) |
譛牙柑 譁ュ髱「遨 (mm2) |
雉ェ驥 (g) |
| UT1N1/4-S | 1/4 | 20.5 | 41.1 | 20.5 | 27.5 | 4.6 | 15 | 10.0 | 12.0 | 3.4 | 6.5 | 34.0 |
| UT1N5/16-S | 5/16 | 22.8 | 45.7 | 22.8 | 30.9 | 4.6 | 16 | 12.0 | 14.0 | 4.7 | 12.5 | 49.0 |
| UT1N3/8-S | 3/8 | 23.7 | 47.4 | 23.7 | 33.5 | 4.6 | 17 | 12.0 | 17.0 | 5.7 | 18.5 | 64.0 |
| UT1N1/2-S縲窶サ | 1/2 | 27.8 | 55.6 | 27.8 | 38.8 | 4.6 | 18 | 14.0 | 19.0 | 8.2 | 30.0 | 84.0 |
窶サ蜿玲ウィ逕溽肇蜩
| 繧ケ繝繝ウ繝ャ繧ケ繝翫ャ繝 |


笳上Α繝ェ繧オ繧、繧コシ医げ繝ォ繝シ繝4シ
| 蜩∫分 | 驕ゥ逕ィ繝√Η繝シ繝門、門セ (mm) |
T 縺ュ縺倥し繧、繧コ (M) |
L (mm) |
H2 莠碁擇蟷 (mm) |
雉ェ驥 (g) |
| N6-S | 6 | M10テ1.0 | 9.0 | 12.0 | 5.0 |
| N8-S | 8 | M12テ1.0 | 9.0 | 14.0 | 6.0 |
| N10-S | 10 | M15テ1.0 | 10.0 | 17.0 | 9.0 |
| N12-S | 12 | M17テ1.0 | 11.0 | 19.0 | 11.0 |
笳上う繝ウ繝√し繧、繧コシ医げ繝ォ繝シ繝1シ
| 蜩∫分 | 驕ゥ逕ィ繝√Η繝シ繝門、門セ (inch) |
T 縺ュ縺倥し繧、繧コ (M) |
L (mm) |
H2 莠碁擇蟷 (mm) |
雉ェ驥 (g) |
| N1/4-S | 1/4 | M10テ1.0 | 9.0 | 12.0 | 5.0 |
| N5/16-S | 5/16 | M12テ1.0 | 9.0 | 14.0 | 6.0 |
| N3/8-S | 3/8 | M14テ1.0 | 10.0 | 17.0 | 10.0 |
| N1/2-S | 1/2 | M17テ1.0 | 11.5 | 19.0 | 11.0 |
| 繝翫う繝ュ繝ウ繧ケ繝ェ繝シ繝 |


豕ィ諢擾シ壻ク蠎ヲ菴ソ逕ィ縺励◆繝翫う繝ュ繝ウ繧ケ繝ェ繝シ繝悶ッ縲∝榊茜逕ィ縺吶k縺薙→縺後〒縺阪∪縺帙s縲
笳上Α繝ェ繧オ繧、繧コシ郁牡シ壻ケウ逋ス濶イシ
| 蜩∫分 | 驕ゥ逕ィ繝√Η繝シ繝門、門セ (mm) |
L (mm) |
| SN6 | 6 | 11 |
| SN8 | 8 | 11 |
| SN10 | 10 | 12 |
| SN12 | 12 | 13 |
笳上う繝ウ繝√し繧、繧コシ郁牡シ夐サ抵シ
| 蜩∫分 | 驕ゥ逕ィ繝√Η繝シ繝門、門セ (inch) |
L (mm) |
| SN1/4 | 1/4 | 11 |
| SN5/16 | 5/16 | 11 |
| SN3/8 | 3/8 | 12 |
| SN1/2 | 1/2 | 13 |
<FAX問合せ用紙のダウンロード>
株式会社ハギテック : TEL 043-423-8741
