繝壹シ繧ク逡ェ蜿キシ0000
| 繧ォ繝繧エ繝ェ-21逶ョ谺。縺ォ謌サ繧 | 1縺、蜑阪↓謌サ繧 | HOME縺ク |
| 驥大ア槭ず繝ァ繧、繝ウ繝医サ繧ウ繝阪け繧ソス・邯吶℃謇九陬ス蜩 | |
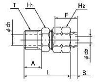
| 笆繧ッ繧、繝繧ッ繧キ繝シ繝ォ繧キ繝ェ繝シ繧コ 繧、繝ウ繧オ繝シ繝医ち繧、繝暦シ医せ繝繝ウ繝ャ繧ケ莉墓ァ假シ峨縲縲縲縲縲縲縲縲縲 | 161 |
| 繧ウ繝阪け繧ソ | |


笳上Α繝ェ繧オ繧、繧コシ医げ繝ォ繝シ繝4シ
| 蜩∫分 | 驕ゥ逕ィ 繝√Η繝シ繝 螟門セテ怜蠕 (mm) |
T 繝阪ず繧オ繧、繧コ (R) |
L (mm) |
A (mm) |
S (mm) |
F 繝√Η繝シ繝 謖ソ蜈・髟キ縺 (mm) |
H1 莠碁擇蟷 (mm) |
H2 莠碁擇蟷 (mm) |
d1 (mm) |
d2 譛蟆丞蠕 (mm) |
譛牙柑 譁ュ髱「遨 (mm2) |
雉ェ驥 (g) |
| C4N6X4-PT1/8-S | 6X4 | R1/8 | 28.0 | 11.0 | 4.6 | 15 | 10.0 | 12.0 | 5.0 | 2.7 | 5.0 | 15.0 |
| C4N6X4-PT1/4-S | 6X4 | R1/4 | 30.0 | 12.0 | 4.6 | 15 | 14.0 | 12.0 | 7.0 | 2.7 | 5.0 | 22.0 |
| C4N8X5-PT1/8-S | 8X5 | R1/8 | 27.9 | 11.0 | 4.6 | 16 | 12.0 | 14.0 | 5.0 | 3.7 | 10.0 | 18.0 |
| C4N8X5-PT1/4-S | 8X5 | R1/4 | 29.9 | 12.0 | 4.6 | 16 | 14.0 | 14.0 | 7.0 | 3.7 | 10.0 | 24.0 |
| C4N8X6-PT1/8-S | 8X6 | R1/8 | 27.9 | 11.0 | 4.6 | 16 | 12.0 | 14.0 | 5.0 | 4.7 | 16.0 | 17.0 |
| C4N8X6-PT1/4-S | 8X6 | R1/4 | 29.9 | 12.0 | 4.6 | 16 | 14.0 | 14.0 | 7.0 | 4.7 | 16.0 | 24.0 |
| C4N10X6.5-PT1/4-S | 10X6.5 | R1/4 | 31.1 | 12.0 | 4.2 | 17 | 17.0 | 17.0 | 7.0 | 5.2 | 20.5 | 32.0 |
| C4N10X6.5-PT3/8-S | 10X6.5 | R3/8 | 32.1 | 13.0 | 4.2 | 17 | 17.0 | 17.0 | 9.0 | 5.2 | 20.5 | 38.0 |
| C4N10X8-PT1/4-S | 10X8 | R1/4 | 31.1 | 12.0 | 4.2 | 17 | 17.0 | 17.0 | 7.0 | 6.7 | 32.0 | 29.0 |
| C4N10X8-PT3/8-S | 10X8 | R3/8 | 32.1 | 13.0 | 4.2 | 17 | 17.0 | 17.0 | 9.0 | 6.7 | 32.0 | 37.0 |
| C4N12X8-PT3/8-S | 12X8 | R3/8 | 35.6 | 13.0 | 4.8 | 18 | 17.0 | 19.0 | 9.0 | 6.6 | 32.0 | 47.0 |
| C4N12X8-PT1/2-S | 12X8 | R1/2 | 40.6 | 18.0 | 4.8 | 18 | 23.0 | 19.0 | 12.0 | 6.6 | 33.5 | 75.0 |
| C4N12X9-PT3/8-S | 12X9 | R3/8 | 35.6 | 13.0 | 4.8 | 18 | 17.0 | 19.0 | 9.0 | 7.6 | 40.0 | 40.5 |
| C4N12X9-PT1/2-S | 12X9 | R1/2 | 40.6 | 18.0 | 4.8 | 18 | 23.0 | 19.0 | 12.0 | 7.6 | 40.0 | 74.0 |
笳上う繝ウ繝√し繧、繧コシ医げ繝ォ繝シ繝1シ
| 蜩∫分 | 驕ゥ逕ィ繝√Η繝シ繝 螟門セ (inch) |
T 繝阪ず繧オ繧、繧コ (R) |
L (mm) |
A (mm) |
S (mm) |
F 繝√Η繝シ繝 謖ソ蜈・髟キ縺 (mm) |
H1 莠碁擇蟷 (mm) |
H2 莠碁擇蟷 (mm) |
d1 (mm) |
d2 譛蟆丞蠕 (mm) |
譛牙柑 譁ュ髱「遨 (mm2) |
雉ェ驥 (g) |
| C1N1/4-PT1/8-S | 1/4 | R1/8 | 28.0 | 11.0 | 4.6 | 15 | 10.0 | 12.0 | 5.0 | 3.4 | 8.5 | 14.0 |
| C1N1/4-PT1/4-S | 1/4 | R1/4 | 30.0 | 12.0 | 4.6 | 15 | 14.0 | 12.0 | 7.0 | 3.4 | 8.5 | 22.0 |
| C1N5/16-PT1/8-S | 5/16 | R1/8 | 27.8 | 11.0 | 4.6 | 16 | 12.0 | 14.0 | 5.0 | 4.7 | 16.0 | 17.0 |
| C1N5/16-PT1/4-S | 5/16 | R1/4 | 29.8 | 12.0 | 4.6 | 16 | 14.0 | 14.0 | 7.0 | 4.7 | 16.0 | 24.0 |
| C1N3/8-PT1/8-S | 3/8 | R1/8 | 28.7 | 11.0 | 4.6 | 17 | 14.0 | 17.0 | 5.7 | 5.7 | 22.5 | 23.0 |
| C1N3/8-PT1/4-S | 3/8 | R1/4 | 30.7 | 12.0 | 4.6 | 17 | 14.0 | 17.0 | 7.5 | 5.7 | 22.5 | 28.0 |
| C1N3/8-PT3/8-S | 3/8 | R3/8 | 31.7 | 13.0 | 4.6 | 17 | 17.0 | 17.0 | 9.0 | 5.7 | 22.5 | 39.0 |
| C1N1/2-PT1/4-S | 1/2 | R1/4 | 31.8 | 12.0 | 4.6 | 18 | 17.0 | 19.0 | 8.2 | 8.2 | 45.0 | 33.0 |
| C1N1/2-PT3/8-S | 1/2 | R3/8 | 32.8 | 13.0 | 4.6 | 18 | 17.0 | 19.0 | 9.0 | 8.2 | 45.0 | 40.0 |
| C1N1/2-PT1/2-S | 1/2 | R1/2 | 40.8 | 18.0 | 4.6 | 18 | 23.0 | 19.0 | 12.0 | 8.2 | 45.0 | 72.0 |
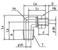
| 90ツー繧ィ繝ォ繝 |


笳上Α繝ェ繧オ繧、繧コシ医げ繝ォ繝シ繝4シ
| 蜩∫分 | 驕ゥ逕ィ繝√Η繝シ繝 螟門セテ怜蠕 (mm) |
T 繝阪ず繧オ繧、繧コ (R) |
L1 (mm) |
L2 (mm) |
L3 (mm) |
L4 (mm) |
A (mm) |
S (mm) |
F 繝√Η繝シ繝 謖ソ蜈・髟キ縺 (mm) |
H1 莠碁擇蟷 (mm) |
H2 莠碁擇蟷 (mm) |
d1 (mm) |
d2 譛蟆丞蠕 (mm) |
譛牙柑 譁ュ髱「遨 (mm2) |
雉ェ驥 (g) |
| L4N6X4-PT1/8-S | 6X4 | R1/8 | 20.5 | 18.5 | 26.3 | 25.4 | 11.0 | 4.6 | 15 | 10.0 | 12.0 | 5.0 | 2.7 | 4.5 | 21.0 |
| L4N6X4-PT1/4-S | 6X4 | R1/4 | 23.0 | 22.0 | 29.9 | 28.9 | 12.0 | 4.6 | 15 | 12.0 | 12.0 | 7.0 | 2.7 | 4.5 | 32.0 |
| L4N8X5-PT1/8-S | 8X5 | R1/8 | 22.9 | 21.0 | 29.8 | 29.1 | 11.0 | 4.6 | 16 | 12.0 | 14.0 | 5.0 | 3.7 | 9.0 | 31.0 |
| L4N8X5-PT1/4-S | 8X5 | R1/4 | 22.9 | 22.0 | 29.8 | 30.1 | 12.0 | 4.6 | 16 | 12.0 | 14.0 | 7.0 | 3.7 | 9.0 | 32.5 |
| L4N8X6-PT1/8-S | 8X6 | R1/8 | 22.9 | 21.0 | 29.8 | 29.1 | 11.0 | 4.6 | 16 | 12.0 | 14.0 | 5.0 | 4.7 | 14.0 | 31.0 |
| L4N8X6-PT1/4-S | 8X6 | R1/4 | 22.9 | 22.0 | 29.8 | 30.1 | 12.0 | 4.6 | 16 | 12.0 | 14.0 | 7.0 | 4.7 | 15.0 | 32.5 |
| L4N10X6.5-PT1/4-S | 10X6.5 | R1/4 | 27.1 | 25.0 | 35.2 | 34.8 | 12.0 | 4.2 | 17 | 14.0 | 17.0 | 7.0 | 5.2 | 18.0 | 47.0 |
| L4N10X6.5-PT3/8-S | 10X6.5 | R3/8 | 27.1 | 26.0 | 35.2 | 35.8 | 13.0 | 4.2 | 17 | 14.0 | 17.0 | 9.0 | 5.2 | 18.0 | 50.0 |
| L4N10X8-PT1/4-S | 10X8 | R1/4 | 27.1 | 25.0 | 35.2 | 34.8 | 12.0 | 4.2 | 17 | 14.0 | 17.0 | 7.0 | 6.7 | 25.0 | 48.0 |
| L4N10X8-PT3/8-S | 10X8 | R3/8 | 27.1 | 26.0 | 35.2 | 35.8 | 13.0 | 4.2 | 17 | 14.0 | 17.0 | 9.0 | 6.7 | 25.0 | 51.0 |
| L4N12X8-PT3/8-S | 12X8 | R3/8 | 27.6 | 26.0 | 35.7 | 37.0 | 13.0 | 4.8 | 18 | 14.0 | 19.0 | 9.0 | 6.6 | 25.0 | 53.0 |
| L4N12X8-PT1/2-S | 12X8 | R1/2 | 30.1 | 33.0 | 40.5 | 44.0 | 18.0 | 4.8 | 18 | 18.0 | 19.0 | 10.0 | 6.6 | 30.0 | 90.0 |
| L4N12X9-PT3/8-S | 12X9 | R3/8 | 27.6 | 26.0 | 35.7 | 37.0 | 13.0 | 4.8 | 18 | 14.0 | 19.0 | 9.0 | 7.6 | 33.0 | 54.0 |
| L4N12X9-PT1/2-S | 12X9 | R1/2 | 30.1 | 33.0 | 40.5 | 44.0 | 18.0 | 4.8 | 18 | 18.0 | 19.0 | 10.0 | 7.6 | 33.0 | 91.0 |
笳上う繝ウ繝√し繧、繧コシ医げ繝ォ繝シ繝1シ
| 蜩∫分 | 驕ゥ逕ィ 繝√Η繝シ繝 螟門セ (inch) |
T 繝阪ず繧オ繧、繧コ (R) |
L1 (mm) |
L2 (mm) |
L3 (mm) |
L4 (mm) |
A (mm) |
S (mm) |
F 繝√Η繝シ繝 謖ソ蜈・髟キ縺 (mm) |
H1 莠碁擇蟷 (mm) |
H2 莠碁擇蟷 (mm) |
d1 (mm) |
d2 譛蟆丞蠕 (mm) |
譛牙柑 譁ュ髱「遨 (mm2) |
雉ェ驥 (g) |
| L1N1/4-PT1/8-S | 1/4 | R1/8 | 20.5 | 18.5 | 26.3 | 25.4 | 11.0 | 4.6 | 15 | 10.0 | 12.0 | 5.0 | 3.4 | 8.0 | 20.0 |
| L1N1/4-PT1/4-S | 1/4 | R1/4 | 23.0 | 22.0 | 30.0 | 28.9 | 12.0 | 4.6 | 15 | 12.0 | 12.0 | 7.0 | 3.4 | 8.0 | 26.0 |
| L1N5/16-PT1/8-S | 5/16 | R1/8 | 22.8 | 21.0 | 29.8 | 29.1 | 11.0 | 4.6 | 16 | 12.0 | 14.0 | 5.0 | 4.7 | 15.0 | 30.0 |
| L1N5/16-PT1/4-S | 5/16 | R1/4 | 22.8 | 22.0 | 29.8 | 30.1 | 12.0 | 4.6 | 16 | 12.0 | 14.0 | 7.0 | 4.7 | 15.0 | 32.0 |
| L1N3/8-PT1/8-S | 3/8 | R1/8 | 23.7 | 21.0 | 30.6 | 30.8 | 11.0 | 4.6 | 17 | 12.0 | 17.0 | 5.0 | 5.7 | 15.0 | 35.0 |
| L1N3/8-PT1/4-S | 3/8 | R1/4 | 23.7 | 22.0 | 30.6 | 31.8 | 12.0 | 4.6 | 17 | 12.0 | 17.0 | 7.0 | 5.7 | 19.0 | 50.0 |
| L1N3/8-PT3/8-S | 3/8 | R3/8 | 26.7 | 26.0 | 35.2 | 35.8 | 13.0 | 4.6 | 17 | 14.0 | 17.0 | 9.0 | 5.7 | 19.0 | 50.0 |
| L1N1/2-PT1/4-S | 1/2 | R1/4 | 27.8 | 25.0 | 35.9 | 36.0 | 12.0 | 4.6 | 18 | 14.0 | 19.0 | 7.0 | 8.2 | 32.0 | 50.0 |
| L1N1/2-PT3/8-S | 1/2 | R3/8 | 27.8 | 26.0 | 36.3 | 37.0 | 13.0 | 4.6 | 18 | 14.0 | 19.0 | 9.0 | 8.2 | 32.0 | 53.0 |
| L1N1/2-PT1/2-S | 1/2 | R1/2 | 30.8 | 33.0 | 41.6 | 44.0 | 18.0 | 4.6 | 18 | 18.0 | 19.0 | 12.0 | 8.2 | 32.0 | 76.0 |
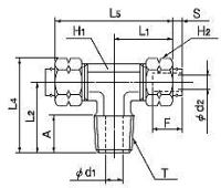
| 繝繧」繝シ |


笳上Α繝ェ繧オ繧、繧コシ医げ繝ォ繝シ繝4シ
| 蜩∫分 | 驕ゥ逕ィ 繝√Η繝シ繝 螟門セテ怜蠕 (mm) |
T 繝阪ず繧オ繧、繧コ (R) |
L1 (mm) |
L2 (mm) |
L3 (mm) |
L4 (mm) |
A (mm) |
S (mm) |
F 繝√Η繝シ繝 謖ソ蜈・髟キ縺 (mm) |
H1 莠碁擇蟷 (mm) |
H2 莠碁擇蟷 (mm) |
d1 (mm) |
d2 譛蟆丞蠕 (mm) |
譛牙柑 譁ュ髱「遨 (mm2) |
雉ェ驥 (g) |
| T4N6X4-PT1/8-S | 6X4 | R1/8 | 20.5 | 18.5 | 25.4 | 41.0 | 11.0 | 4.6 | 15 | 10.0 | 12.0 | 5.0 | 2.7 | 4.5 | 30.0 |
| T4N6X4-PT1/4-S | 6X4 | R1/4 | 23.0 | 22.0 | 28.9 | 46.0 | 12.0 | 4.6 | 15 | 12.0 | 12.0 | 7.0 | 2.7 | 4.5 | 43.0 |
| T4N8X5-PT1/8-S | 8X5 | R1/8 | 22.9 | 21.0 | 29.1 | 45.8 | 11.0 | 4.6 | 16 | 12.0 | 14.0 | 5.0 | 3.7 | 9.0 | 43.0 |
| T4N8X5-PT1/4-S | 8X5 | R1/4 | 22.9 | 22.0 | 30.1 | 45.8 | 12.0 | 4.6 | 16 | 12.0 | 14.0 | 7.0 | 3.7 | 9.0 | 45.0 |
| T4N8X6-PT1/8-S | 8X6 | R1/8 | 22.9 | 21.0 | 29.1 | 45.8 | 11.0 | 4.6 | 16 | 12.0 | 14.0 | 5.0 | 4.7 | 14.0 | 42.0 |
| T4N8X6-PT1/4-S | 8X6 | R1/4 | 22.9 | 22.0 | 30.1 | 45.8 | 12.0 | 4.6 | 16 | 12.0 | 14.0 | 7.0 | 4.7 | 15.0 | 44.0 |
| T4N10X6.5-PT1/4-S | 10X6.5 | R1/4 | 27.1 | 25.0 | 34.8 | 54.2 | 12.0 | 4.2 | 17 | 14.0 | 17.0 | 7.0 | 5.2 | 18.0 | 73.0 |
| T4N10X6.5-PT3/8-S | 10X6.5 | R3/8 | 27.1 | 26.0 | 35.8 | 54.2 | 13.0 | 4.2 | 17 | 14.0 | 17.0 | 9.0 | 5.2 | 18.0 | 78.0 |
| T4N10X8-PT1/4-S | 10X8 | R1/4 | 27.1 | 25.0 | 34.8 | 54.2 | 12.0 | 4.2 | 17 | 14.0 | 17.0 | 7.0 | 6.7 | 25.0 | 69.0 |
| T4N10X8-PT3/8-S | 10X8 | R3/8 | 27.1 | 26.0 | 35.8 | 54.2 | 13.0 | 4.2 | 17 | 14.0 | 17.0 | 9.0 | 6.7 | 25.0 | 75.0 |
| T4N12X8-PT3/8-S | 12X8 | R3/8 | 27.6 | 25.0 | 36.0 | 55.3 | 13.0 | 4.8 | 18 | 14.0 | 19.0 | 9.0 | 6.6 | 25.0 | 82.0 |
| T4N12X9-PT3/8-S | 12X9 | R3/8 | 27.6 | 26.0 | 37.0 | 55.3 | 13.0 | 4.8 | 18 | 14.0 | 19.0 | 9.0 | 7.6 | 33.0 | 82.0 |
笳上う繝ウ繝√し繧、繧コシ医げ繝ォ繝シ繝1シ
| 蜩∫分 | 驕ゥ逕ィ 繝√Η繝シ繝 螟門セ (inch) |
T 繝阪ず繧オ繧、繧コ (R) |
L1 (mm) |
L2 (mm) |
L3 (mm) |
L4 (mm) |
A (mm) |
S (mm) |
F 繝√Η繝シ繝 謖ソ蜈・髟キ縺 (mm) |
H1 莠碁擇蟷 (mm) |
H2 莠碁擇蟷 (mm) |
d1 (mm) |
d2 譛蟆丞蠕 (mm) |
譛牙柑 譁ュ髱「遨 (mm2) |
雉ェ驥 (g) |
| T1N1/4-PT1/8-S | 1/4 | R1/8 | 20.5 | 18.5 | 25.4 | 41.1 | 11.0 | 4.6 | 15 | 10.0 | 12.0 | 5.0 | 3.4 | 8.0 | 29.0 |
| T1N1/4-PT1/4-S | 1/4 | R1/4 | 23.0 | 22.0 | 28.9 | 46.1 | 12.0 | 4.6 | 15 | 12.0 | 12.0 | 7.0 | 3.4 | 8.0 | 42.0 |
| T1N3/8-PT1/4-S | 3/8 | R1/4 | 23.7 | 22.0 | 31.8 | 47.4 | 12.0 | 4.6 | 17 | 12.0 | 17.0 | 7.0 | 5.7 | 19.0 | 55.0 |
<FAX問合せ用紙のダウンロード>
株式会社ハギテック : TEL 043-423-8741
